Simple Electronics Projects Circuit Diagrams

Simple Electronics Projects Circuit Diagrams. Web the list of top10 simple electronic circuits discussed below are very helpful for the beginners while doing practice, designing of these circuits helps to deal with complex. Web circuit diagram & its operation the entire circuit is operated with two transistors, two diodes, and few passive components.

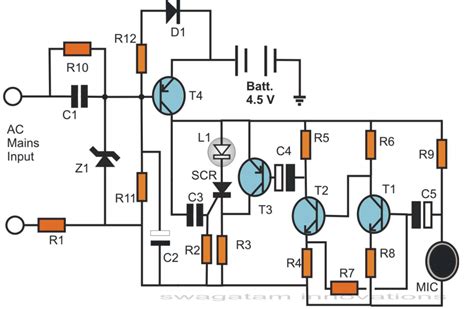
Secret Diagram Simple electronic circuit diagram of project
Secret Diagram Simple electronic circuit diagram of project from diagramqu.blogspot.com

Web 20 best electronics circuit projects for engineering students. Web 20 simple electronics projects and small basic hobby circuits. Web here you will get the simple electronics mini projects circuit diagram.

Web On This Page, You'll Find Circuit Diagrams For A Wide Range Of Fun And Interesting Electronic Circuits:


Web simple tourch circuit diagram. Now, let us take a look at some of the best electronic circuit projects for engineering students. Table of contents history behind this project circuit.

Web The Electronic Circuit Diagram Of Um3561 Ic As The Simple Circuit Project Is As Given In The Figure As Electronics Mini Projects With Circuit Diagram.


Web 20 best electronics circuit projects for engineering students. Web this auto night lamp is a perfect project as a first beginner electronics projects. Do you know what is ac and dc?

Web An Electronic Project Is Basically A Circuit Project Built Using A Handful Of Passive And Active Electronic Parts, By Soldering Them On A Printed Circuit Broad Or Pcb.


Web here you will get the simple electronics mini projects circuit diagram. If the testing crystal is good then it operates as an. Best beginner electronics projects circuit specialists.

It Offers Convenience And You Can Give It As A Present To Almost Anyone.


Web 20 simple electronics projects and small basic hobby circuits. Web the list of top10 simple electronic circuits discussed below are very helpful for the beginners while doing practice, designing of these circuits helps to deal with complex. Web circuit diagram & its operation the entire circuit is operated with two transistors, two diodes, and few passive components.

Two In One Door Bell.